|
蛇簧聯軸器的結構緊湊、外形尺寸小,工作可靠,適用于連接兩同軸線的中、大功率的傳動軸系。具有一定補償兩軸相對偏移的減震、緩沖性能。工作溫度為-30℃-+150℃,傳遞公稱轉矩52-931000N.m.一般兩軸相對的許用位移量:軸向為4-20mm;徑向為0.5-3mm;角位移為1°15′。蛇簧聯軸器廣泛應用于各工業領域。
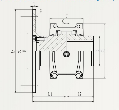
福克T90聯軸器的參數及主要尺寸
![]() ![]() |

電話:0511-85783292
傳真:0511-85019680(自動接收)
手機:18913433240
郵箱:1803877936@qq.com
地址:江蘇省鎮江市高新技術開發園區68號
|
蛇簧聯軸器的結構緊湊、外形尺寸小,工作可靠,適用于連接兩同軸線的中、大功率的傳動軸系。具有一定補償兩軸相對偏移的減震、緩沖性能。工作溫度為-30℃-+150℃,傳遞公稱轉矩52-931000N.m.一般兩軸相對的許用位移量:軸向為4-20mm;徑向為0.5-3mm;角位移為1°15′。蛇簧聯軸器廣泛應用于各工業領域。
福克T90聯軸器的參數及主要尺寸
![]() ![]() |
|
蛇簧聯軸器的結構緊湊、外形尺寸小,工作可靠,適用于連接兩同軸線的中、大功率的傳動軸系。具有一定補償兩軸相對偏移的減震、緩沖性能。工作溫度為-30℃-+150℃,傳遞公稱轉矩52-931000N.m.一般兩軸相對的許用位移量:軸向為4-20mm;徑向為0.5-3mm;角位移為1°15′。蛇簧聯軸器廣泛應用于各工業領域。
福克T90聯軸器的參數及主要尺寸
![]() ![]() |
鎮江海誠機械制造有限公司
? 海誠集團 版權所有 All rights reserved.
地址: 蘇ICP備14043855號-7 ??服務熱線:18913433240
公司電話:0511-85783292 ??公司傳真:0511-85019680(自動接收)
Copyright ? 鎮江海誠機械制造有限公司 版權所有
蘇ICP備14043855號-7